详细介绍
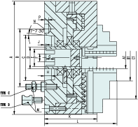
本产品是盘丝型自定心卡盘。按结构形式分为短圆柱连接和短圆锥连接型。卡爪分整体爪式和分体爪式,按用户要求可提供软卡爪。该卡盘主要适用于普通车床、内圆或外圆磨床上挟持工作。
技术参数

产品配置表
| 产品型号 | KD11200 | KD11205/A25 | KD11200/C6 | KD11250C/C6 | KD11250CD/C6 | KD11315C | KD11315C/D8 |
| Product model |
| A | 200 | 200 | 200 | 250 | 250 | 315 | 315 |
| B | 180 | 104.8 | 133.4 | 133.4 | 133.4 | 285 | 171.4 |
| C | 165 | 82.563 | 106.375 | 106.375 | 106.375 | 260 | 139.719 |
| D | 40 | 40 | 40 | 50 | 50 | 80 | 80 |
| E | 32 | 32 | 32 | 40 | 40 | 70 | 70 |
| F | 14 | 14 | 14 | 16 | 16 | 25 | 25 |
| G | 16 | 16 | 16 | 16 | 16 | 20 | 20 |
| H | 5.5 | 13 | 13 | 13 | 13 | 8 | 14 |
| J | 17.5 | 2.5 | 2.5 | 3 | 1 | 20 | 0 |
| K | 75 | 95 | 95 | 102 | 100 | 102 | 102 |
| L | 109 | 129 | 129 | 150 | 148 | 164.5 | 164.5 |
| M | 3-M10 | 6-M10 | 4-M12 | 4-M12 | 4-M12 | 3-M16 | 6-M20X1.5 |
| N | 94 | 16.3 | 19.5 | 19.5 | 19.5 | -- | -- |
| P | 1.5 | 7.5 | 6.5 | 6.5 | 6.5 | 0 | 0 |
| ******夹紧力 | 50 | 50 | 50 | 55 | 55 | 60 | 60 |
| Max Gripping Force(KN) |
| 极限转速 | 2500 | 2500 | 2500 | 2000 | 2000 | 1800 | 1800 |
| Max Speed (r.p.m) |
| A1 | 4~85 | 4~85 | 4~85 | 6~110 | 6~110 | 10~144 | 10~144 |
| B1min~ | 65~200 | 65~200 | 65~200 | 80~250 | 80~250 | 95~315 | 95~315 |
| C1max |
| E1min~ | 65~200 | 65~200 | 65~200 | 90~250 | 90~250 | 100~315 | 100~315 |
| F1max |